首页
产品中心

超高速数据转换器

高速高精度数据转换器

精密数据转换器

时钟信号调理芯片

射频收发器

系统解决方案

| 类别 | 产品型号 | 产品简述 | 最大采样率 | 精度(bit) | 通道数 | ENOB(bit) | SFDR(dBc) | 功耗(W) | 接口形式 | 封装形式 | 封装尺寸 | 产品状态 | 应用领域 |
|---|---|---|---|---|---|---|---|---|---|---|---|---|---|
| 超高速ADC | AAD08S064G | 单通道模数转换器 | 50GSps | 8 | 1 | 6.3 | 50 | 2.9@50GSps | CML | BGA225 | 13*13mm | 批量 | 仪器仪表、宽带通信、航空航天、高速数据采集 |
| AAD08S040G | 单通道模数转换器 | 40GSps | 8 | 1 | 6.2 | 49 | 2.8@40GSps | CML | BGA225 | 13*13mm | 批量 | 仪器仪表、宽带通信、航空航天、高速数据采集 | |
| AAD08S020G | 单通道模数转换器 | 20GSps | 8 | 1 | 6.1 | 55 | 1.9@20GSps | CML | BGA225 | 13*13mm | 批量 | 仪器仪表、宽带通信、航空航天、高速数据采集 | |
| AAD08S010G | 单通道模数转换器 | 10GSps | 8 | 1 | 6 | 43 | 8.5 | LVDS | BGA392 | 21*21mm | 批量 | 仪器仪表、航空航天、高速数据采集 | |
| AAD08Q2500 | 四通道模数转换器 | 2.5/5/10GSps | 8 | 4/2/1 | 6.4 | 42 | 8.5 | LVDS | BGA392 | 31*31mm | 批量 | 仪器仪表、航空航天、高速数据采集 | |
| AAD08D2500 | 双通道模数转换器 | 2.5/5GSps | 8 | 2/1 | 6.5 | 51 | 3.8 | LVDS | BGA380 | 17*17mm | 批量 | 仪器仪表、航空航天、高速数据采集 | |
| AAD06S032G | 单通道模数转换器 | 30GSps | 6 | 1 | 5.1 | 34 | 10 | CML | BGA256 | 21*21mm | 批量 | 宽带通信、航空航天、高速数据采集 | |
| AAD06S9000L | 单通道模数转换器 | 9GSps | 6 | 1 | 5.1 | 35 | 3.3 | LVDS | BGA256 | 21*21mm | 批量 | 宽带通信、航空航天、高速数据采集 | |
| AAD01S040G | 单通道模数转换器 | 40GSps | 1 | 1 | / | / | 0.6 | CML | QFN48 | 6*6mm | 批量 | 航空航天 | |
| AAD10Q010G | 四通道模数转换器 | 10/20GSps | 10 | 4/2 | 7.6 | 54 | 3.5 | CML | BGA312 | 15*15mm | 批量 | 仪器仪表、航空航天、高速数据采集 |
| 类别 | 产品型号 | 产品简述 | 最大采样率 | 精度(bit) | 通道数 | SFDR(dBc) | 功耗(W) | 接口形式 | 封装形式 | 封装尺寸 | 产品状态 | 应用领域 |
|---|---|---|---|---|---|---|---|---|---|---|---|---|
| 超高速DAC | ADA06S9000L | 单通道数模转换器 | 9GSps | 6 | 1 | 36 | 2.2 | LVDS | BGA256 | 21*21mm | 批量 | 宽带通信、航空航天 |
| ADA06S032G | 单通道数模转换器 | 30GSps | 6 | 1 | 36 | 6.5 | CML | BGA256 | 21*21mm | 批量 | 仪器仪表、宽带通信、航空航天 | |
| ADA12S6000 | 单通道数模转换器 | 5GSps | 12 | 1 | 65 | 2.4 | LVDS | BGA392 | 21*21mm | 批量 | 宽带通信、航空航天 | |
| ADA08S010G | 单通道数模转换器 | 10GSps | 8 | 1 | 48 | 2.7 | LVDS | BGA392 | 21*21mm | 批量 | 仪器仪表、宽带通信、航空航天 | |
| ADA08S020G | 单通道数模转换器 | 20GSps | 8 | 1 | 45 | 1.8 | JESD204B/CML | BGA225 | 13*13mm | 批量 | 宽带通信、航空航天 | |
| ADA08S040G | 单通道数模转换器 | 40GSps/20GSps | 8/12 | 1 | 40/50 | 3.6 | CML | BGA256 | 17*17mm | 批量 | 仪器仪表、宽带通信、航空航天 |
| 类别 | 产品型号 | 产品简述 | 最大采样率 | 精度(bit) | 通道数 | ENOB(bit) | SFDR(dBc) | 功耗(W) | 接口形式 | 封装形式 | 封装尺寸 | 对标型号 | 产品状态 | 应用领域 |
|---|---|---|---|---|---|---|---|---|---|---|---|---|---|---|
| AAD12D3000 | 双通道模数转换器 | 3/6GSps | 12 | 2/1 | 8.8 | 64 | 4.4 | JESD204B | BGA144 | 10*10mm | ADC12DJ3200 | 样品 | 仪器仪表、通信 | |
| AAD12Q0250 | 四通道模数转换器 | 0.25/0.5/1GSps | 12 | 4/2/1 | 9.5 | 61 | 0.9 | LVDS | QFN68 | 8*8mm | / | 批量 | 仪器仪表、通信 | |
| AAD14S0100A | 单通道模数转换器 | 80MSps | 14 | 1 | 12 | 85 | 0.2 | CMOS | QFN32 | 5*5mm | AD9245 | 样品 | 仪器仪表、通信 | |
| AAD14S0100 | 单通道模数转换器 | 80MSps | 14 | 1 | 11 | 80 | 0.18 | CMOS | QFN32 | 5*5mm | AD9245 | 批量 | 仪器仪表、通信 | |
| AAD12D1250L | 双通道模数转换器 | 1.25/2.5GSps | 12 | 2/1 | 8.2 | 58.8 | 3.6 | LVDS | BGA256 | 17*17mm | / | 样品 | 仪器仪表、通信 |
| 类别 | 产品型号 | 产品简述 | 最大采样率 | 精度(bit) | 通道数 | SFDR(dBc) | 功耗(W) | 接口形式 | 封装形式 | 封装尺寸 | 产品状态 | 应用领域 |
|---|---|---|---|---|---|---|---|---|---|---|---|---|
| 高速高精度DAC | ADA14S8000 | 单通道数模转换器 | 8GSps | 14 | 1 | 64 | 2 | JESD204B | QFN68 | 8*8mm | 批量 | 仪器仪表、宽带通信、航空航天 |
| ADA16D6000 | 双通道数模转换器 | 5GSps | 16 | 2 | 68 | 1 | JESD204B | QFN68 | 10*10mm | 批量 | 仪器仪表、宽带通信、航空航天 | |
| ADA16S010G | 单通道数模转换器 | 10GSps | 16 | 1 | 68 | 2.2 | JESD204B | LGA88 | 10*10mm | 批量 | 仪器仪表、宽带通信、航空航天 |
| 类别 | 产品型号 | 产品简述 | 最大采样率 | 精度(bit) | 通道数 | ENOB(bit) | SFDR(dBc) | 功耗(W) | 接口形式 | 封装形式 | 封装尺寸 | 对标型号 | 产品状态 | 应用领域 |
|---|---|---|---|---|---|---|---|---|---|---|---|---|---|---|
| 高精密ADC | AAD16J250K | 六通道模数转换器 | 250KSps | 16 | 6 | 13.5 | 65 | 0.18 | SPI/QSPI/Microwire/DSP | LQFP64 | 12*12mm | AD7656/ADS8556 | 批量 | 仪器仪表、电机控制、电力线监控 |
| AAD16E350K | 八通道模数转换器 | 350KSps | 16 | 8 | 14.5 | 105 | 0.25 | SPI/QSPI/Microwire/DSP | LQFP64 | 12*12mm | AD7606 | 样品 | 仪器仪表、电机控制、电力线监控 |
| 类别 | 产品型号 | 产品简述 | 电源电压(V) | 输入路数 | 输出路数 | 最大输出频率 | 输入电平 | 输出电平 | 功耗 | 封装形式 | 封装尺寸 | 兼容型号 | 产品状态 | 应用领域 |
|---|---|---|---|---|---|---|---|---|---|---|---|---|---|---|
| 高速时钟链芯片 | ABUF18Q | 宽带时钟缓冲器 | 3.3 | 1 | 4 | 16GHz | CML | CML | 270mw | QFN16 | 3*3mm | / | 批量 | 航空航天、宽带雷达 |
| ABUF07Q | 宽带时钟缓冲器 | 3.3 | 1 | 4 | 7GHz | LVPECL,CML,LVDS | LVPECL | 490mW | QFN16 | 3*3mm | ADCLK944 | 批量 | 仪器仪表、宽带通信、数据采集、医疗设备 | |
| ABUF07D | 宽带时钟缓冲器 | 3.3 | 1 | 2 | 7GHz | LVPECL,CML,LVDS | LVPECL | 190mW | QFN16 | 3*3mm | ADCLK925 | 批量 | 仪器仪表、宽带通信、数据采集、医疗设备 | |
| ABUF05J | 宽带时钟缓冲器 | 3.3 | 1 | 6 | 5GHz | LVPECL,CML,LVDS | LVPECL | 590mW | QFN24 | 4*4mm | ADCLK946 | 批量 | 仪器仪表、宽带通信、数据采集、医疗设备 | |
| ABUF05E | 宽带时钟缓冲器 | 3.3 | 2 | 8 | 5GHz | LVPECL,CML,LVDS | LVPECL | 830mW | QFN32 | 5*5mm | ADCLK948 | 批量 | 仪器仪表、宽带通信、数据采集、医疗设备 | |
| ABUF05C | 宽带时钟缓冲器 | 3.3 | 2 | 10 | 5GHz | LVPECL,CML,LVDS | LVPECL | 990mW | QFN40 | 6*6mm | ADCLK950 | 批量 | 仪器仪表、宽带通信、数据采集、医疗设备 | |
| ADFF4L52 | 高速D触发器 | 3.3 | 1 | 1 | 4GHz | LVPECL,CML,LVDS | LVPECL | 180mw | QFN16 | 3*3mm | NB4L52 | 批量 | 仪器仪表、宽带通信、数据采集、医疗设备 | |
| ADLY89297 | 数控延迟器 | 3.3 | 2 | 2 | 2.5GHz | LVPECL,CML,LVDS | CML | 660mW | QFN24 | 4*4mm | SY89297U | 批量 | 仪器仪表、宽带通信、数据采集、医疗设备 | |
| ADSG7L86M | 高速逻辑门 | 3.3 | 2 | 1 | 6GHz | LVPECL,CML,LVDS | CML | 130mw | QFN16 | 3*3mm | NB7L86M | 批量 | 仪器仪表、宽带通信、数据采集、医疗设备 | |
| ACLK10D | 高速分频器 | 3.3 | 1 | 1 | 10GHz | LVPECL,CML,LVDS | LVPECL | 270mw | QFN16 | 3*3mm | NB7L32M | 批量 | 仪器仪表、宽带通信、数据采集、医疗设备 |
| 类别 | 产品型号 | 产品简述 | 输入路数 | 输出路数 | 工作频率 | 功耗 | 封装形式 | 封装尺寸 | 兼容型号 | 产品状态 | 应用领域 |
|---|---|---|---|---|---|---|---|---|---|---|---|
| 宽带信号调理芯片 | ACOMD4000 | 双通道比较器 | 2 | 2 | 1.5GHz | 300mW | TSSOP20 | 6.5*4.4mm | MAX9601 | 批量 | 仪器仪表、宽带通信、数据采集、医疗设备 |
| ATH4000 | 采样保持器 | 1 | 1 | 18GHz | 940mW | QFN24 | 4*4mm | HMC661 | 批量 | 仪器仪表、航空航天、雷达 | |
| AFGA10S20 | 宽带放大器(20dB) | 1 | 1 | DC-10GHz | 240mW | LGA20 | 4*4mm | / | 批量 | 仪器仪表、航空航天 | |
| AFGA10S06 | 宽带放大器(6dB) | 1 | 1 | DC-10GHz | 240mW | LGA20 | 4*4mm | / | 批量 | 仪器仪表、航空航天 | |
| ABAL0220 | 宽带巴伦 | 1 | 1 | 2-20GHz | / | QFN24 | 4*4mm | MBAL-0220SM | 批量 | 仪器仪表、数据采集 | |
| ABAL0414 | 宽带巴伦 | 1 | 1 | 4-14GHz | / | DFN6 | 3*3mm | MTX2-4143+ | 批量 | 仪器仪表、数据采集 | |
| ABAL1025DIE | 宽带巴伦 | 1 | 1 | 10-25GHz | / | DIE | / | / | 样片 | 仪器仪表、数据采集 | |
| ABAL1025 | 宽带巴伦 | 1 | 1 | 10-25GHz | / | DFN6 | 3*3mm | MTY2-243+ | 样片 | 仪器仪表、数据采集 | |
| ABAL1538 | 宽带巴伦 | 1 | 1 | 15-38GHz | / | DFN6 | 3*3mm | / | 样片 | 仪器仪表、数据采集 | |
| ABAL0110S | 宽带巴伦 | 1 | 1 | 1-10GHz | / | DFN6 | 2*2mm | / | 样片 | 仪器仪表、数据采集 | |
| ABAL0540S | 宽带巴伦 | 1 | 1 | 5-40GHz | / | DFN6 | 2*2mm | / | 样片 | 仪器仪表、数据采集 |
| 产品类别 | 产品型号 | 产品简述 | 工作频率 | 通道数 | 瞬时带宽 | 功耗(W) | 接口形式 | 封装形式 | 封装尺寸 | 对标型号 | 产品状态 | 应用领域 |
|---|---|---|---|---|---|---|---|---|---|---|---|---|
| 射频捷变收发器 | ATR06D025 | 高性能射频收发器 | 50MHz~6GHz | 2TR 2RX 2ORX | 发射器最大带宽:450M 接收器最大带宽:200M 观察通道最大带宽:450M | 5.8W@使能2TR和2ORX,禁用2RX 3.48W@使能2RX,禁用2TR和2ORX | JESD204B | BGA196 | 12*12mm | ADRV9009 | 批量 | 3G/4G/5G宏基站/微基站/皮基站 大规模分布式天线 相控阵雷达 专网通信 便携式测试设备 |
| 产品类别 | 产品型号 | 产品简述 | 工作频率 | 通道数 | 瞬时带宽 | 功耗(W) | 接口形式 | 封装形式 | 封装尺寸 | 对标型号 | 产品状态 | 应用领域 |
|---|---|---|---|---|---|---|---|---|---|---|---|---|
可编程低延迟 射频收发SIP | SIP3001 | 射频直采收发芯片 | 9GHz | 1 | 4GHz | 17W(AD/DA回环功耗) | FPGA预留32bit DDR3接口 4对GTH高速SerDes 单端50个(差分25对)GPIO 1组JTAG调试接口和Flash配置接口 | BGA784 | 29 * 29mm | / | 批量 | 高性能测试设备 宽带光通信/无线通信 射频直接采样/软件无线电 |
| SIP3002 | 射频直采收发芯片 | 5GHz | 1 | 2GHz | 17W(AD/DA回环功耗) | FPGA预留16bit DDR3接口 4对GTH高速SerDes 单端84个(差分50对)GPIO 1组JTAG调试接口和Flash配置接口 | BGA576 | 25* 25mm | / | 样品 | 高性能测试设备 宽带光通信/无线通信 射频直接采样/软件无线电 | |
| SIP3003 | 射频直采收发芯片 | 9GHz | 1 | 4GHz | 15W(AD/DA回环功耗) | FPGA预留32bit DDR3接口 4对GTH高速SerDes 单端50个(差分25对)GPIO 1组JTAG调试接口和Flash配置接口 | BGA784 | 29*29mm | / | 样品 | 高性能测试设备 宽带光通信/无线通信 射频直接采样/软件无线电 |
| 产品类型 | 序号 | 产品型号 | 主要指标 | 软件配置 | 产品状态 | 主要应用领域 |
|---|---|---|---|---|---|---|
| PCIE数据采集卡 | 1 | ADAQ1010 | 双通道500Msps~2Gsps 8bit ADC 输入带宽 DC~500MHz/ | FPGA可执行文件、上位机、SDK | 批量 | TOF-MS质谱仪领域 高速信号采集领域 |
| 2 | ADAQ1004 | 双通道3Gsps 12bit ADC, 输入带宽 AC~1500MHz | FPGA可执行文件、上位机、SDK | 批量 | OCT领域 高速信号采集领域 | |
| PCIE数据采集卡平台 AK704系列 | 1 | ADAQ1011_A | 双通道1GSps 12bit ADC 输入带宽DC~200MHz | FPGA可执行文件、上位机、SDK | 样品 | TOF-MS质谱仪领域 OCT领域 高速信号采集领域 |
| PCIE数据采集卡平台 AUV301系列 | 1 | ADAQ1012 | 四通道5GSps 12bit ADC、单端输入 输入带宽2.5GHz、DC耦合 板级4GB缓存、USB3.0、PCIe Gen3×8 | FPGA可执行文件、上位机、SDK、支持二次开发 | 样品 | TOF-MS质谱仪领域 高速信号采集领域 ATE领域 |
| 2 | ADAQ1014 | 四通道10GSps 10bit ADC、单端输入 输入带宽5GHz、DC耦合 板级4GB缓存、USB3.0、PCIe Gen3×8 | FPGA可执行文件、上位机、SDK、支持二次开发 | 样品 | ||
| 3 | ADAQ1015 | 单通道80GSps 8bit ADC、差分/单端输入 输入带宽DC~10GHz 板级4GB缓存、USB3.0、PCIe Gen3×8 | FPGA可执行文件、上位机、SDK、支持二次开发 | 批量 | ||
| 4 | AUV301_DAC_D_Module_A | 双通道40GSps 8bit DAC、差分输出 输出带宽AC~18GHz | FPGA可执行文件、上位机、SDK、支持二次开发 | 批量 | 高速任意波形产生 | |
| 5 | AUV301_ADC_D_Module_A | 双通道40GSps 8bit ADC、差分输入 输入带宽AC~18GHz | FPGA可执行文件、上位机、SDK、支持二次开发 | 批量 | 高速示波器/宽带光通信/宽带无线通信 | |
| 6 | AUV301_ADDA_S_Module_A | 单收单发40GSps 8bit ADC/DAC、差分输入/输出 输入/输出带宽AC~18GHz | FPGA可执行文件、上位机、SDK、支持二次开发 | 批量 | 高速示波器/宽带光通信/宽带无线通信 | |
| 超宽带实时信号处理平台 AUV1302系列 | 1 | AUV1302_ADC_Q_Module_C | 四收、采样率40GSps、分辨率8bit、差分输入 输入带宽AC~18GHz QSFP28接口:支持4个100Gbps光口 | FPGA可执行文件、上位机、SDK、支持二次开发 | 批量 | 宽带光通信 宽带无线通信 高性能ASIC 原型设计 高速信号采集领域 |
| 2 | AUV1302_DAC_Q_Module_A | 四发、采样率40GSps、分辨率8bit 、差分输出 输出带宽AC~18GHz QSFP28接口:支持4个100Gbps光口 | FPGA可执行文件、上位机、SDK、支持二次开发 | 批量 | ||
| 3 | AUV1302_ADDA_Module_A | 两收两发、采样率40GSps、分辨率8bit 、差分输入/输出 输入/输出带宽AC~18GHz QSFP28接口:支持4个100Gbps光口 | FPGA可执行文件、上位机、SDK、支持二次开发 | 批量 | ||
| 超宽带实时信号处理平台 AUV1901系列 | 1 | AUV1901_C | 四收、采样率40GSps、分辨率8bit、差分输入 输入带宽AC~18GHz QSFP28接口:支持4个100Gbps光口 | FPGA可执行文件、上位机、SDK、支持二次开发 | 批量 | 宽带光通信 宽带无线通信 高性能ASIC 原型设计 高速信号采集领域 |
| 2 | AUV1901_D | 四发、采样率40GSps、分辨率8bit 、差分输出 输出带宽AC~18GHz QSFP28接口:支持4个100Gbps光口 | FPGA可执行文件、上位机、SDK、支持二次开发 | 批量 | ||
| 3 | AUV1901_E | 两收两发、采样率40GSps、分辨率8bit 、差分输入/输出 输入/输出带宽AC~18GHz QSFP28接口:支持4个100Gbps光口 | FPGA可执行文件、上位机、SDK、支持二次开发 | 批量 | ||
| FMC+(接口自定义) 模组 | 1 | AAD08S040G_D_Module_C | 两收、采样率40GSps 、分辨率8bit 、差分输入 带宽:18GHz、内置时钟网络 | 提供驱动DEMO | 批量 | 高速信号采集领域 宽带光通信 宽带无线通信 |
| 2 | ADDA_S_40G8B_Module_A | 单收单发、采样率40GSps 、分辨率8bit 、差分输入/输出 带宽:18GHz、内置时钟网络 | 提供驱动DEMO | 批量 | ||
| 3 | ADA08S040G_D_Module_A | 两发、采样率40GSps 、分辨率8bit 、差分输出 带宽:18GHz、内置时钟网络 | 提供驱动DEMO | 批量 | ||
| 4 | AAD08S080G_Module_A | 单路采集、采样率40GSps/80GSps 、分辨率8bit 、差分/单端 带宽:DC-10GHz、内置时钟网络 | 提供驱动DEMO | 批量 |
解决方案

新闻中心

服务支持

人才招聘

关于我们

> 首页 > 产品中心 > 超高速数据转换器 > 超高速ADC > AAD08S064G
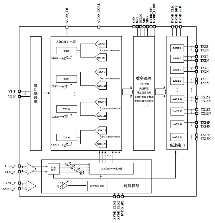
AAD08S064G是采用CMOS工艺制造的高速模数转换芯片,其采样率最高可达56GS/s ,分辨率为 8bit。芯片可对频率范围在DC-25GHz内的超宽带信号直接采样,并将量化后的数据通过高速数据接口全速率输出。该芯片采用大规模时间交织 ADC(TI-ADC)架构,共集成128路子 ADC,每一路 ADC 采用低功耗逐次比较(SAR)架构。芯片集成交织误差校准电路,可在芯片内部实现增益、失调、时序偏差三类误差的校准。在输出接口方面,芯片集成16 路高速串行输出接口,每路最高速率 28Gbps。芯片将转换的 8bit 数字信号与PRBS11码进行异或运算加扰,然后通过高速串行接口输出。在多片同步应用方面,芯片集成同步边沿检测和同步脉冲选择电路,可实现多芯片精确同步。

| 采样率 | 50Gsps |
| 精度 | 8Bit |
| 通道数 | 1 |
| ENOB | 6.3bit |
| SFDR | 50dBc |
| 功耗 | 2.9@50Gsps |
| 接口 | CML |
| 封装形式 | BGA225(13*13mm) |